You are viewing NR-3080S
NR-3080S
7876
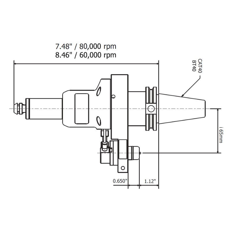
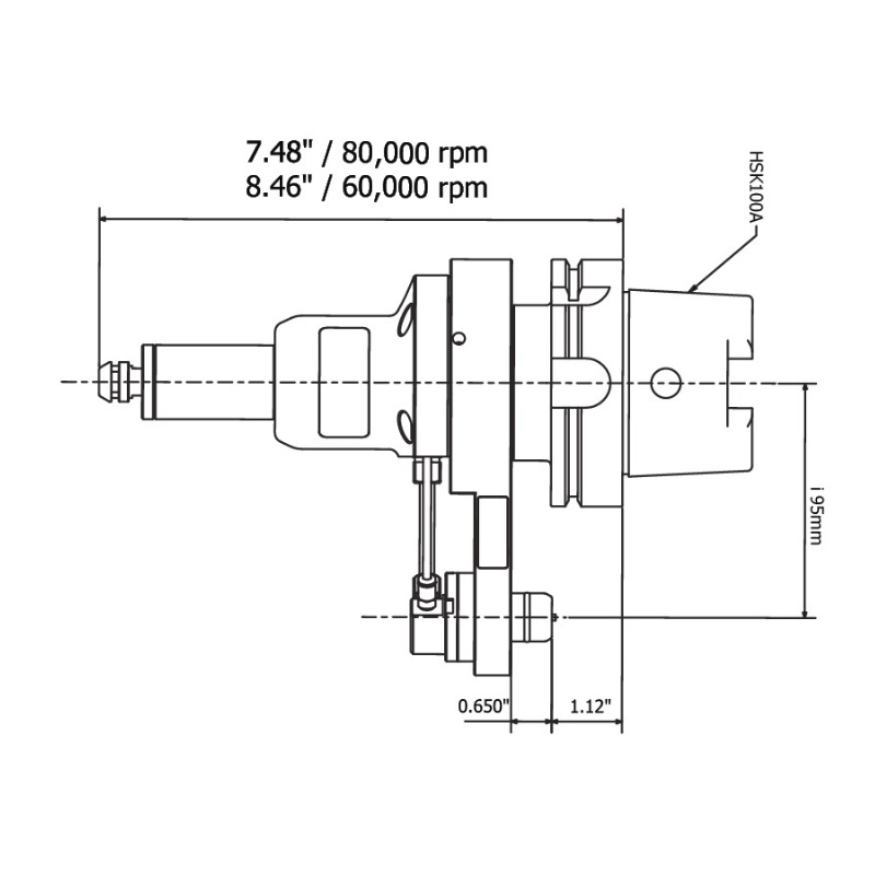
NR-3080S φ3.175 Spindle
Product information
Compatible with these series
Description
Additional details
Features
- This spindle can be used for small-diameter milling, drilling, slitting, chamfering, grinding, etc

